Producten
Geflensde terugslagklep
  • Geflensde terugslagklepGeflensde terugslagklep

Geflensde terugslagklep

De geflensde terugslagklep wordt geproduceerd door GenTant, een toonaangevende klepfabrikant en leverancier in China. Onze fabriek bedient een grote en diverse klantenkring, ondersteund door een sterk mondiaal exportrecord. We hebben met succes afsluiters van hoge kwaliteit geleverd aan talloze klanten en grote markten over de hele wereld, waaronder uitgebreide export naar Europa, Noord-Amerika en Rusland. Dit internationale bereik demonstreert ons bewezen vermogen om te voldoen aan uiteenlopende internationale normen en de veeleisende eisen van mondiale engineeringprojecten, waardoor onze reputatie als betrouwbare en capabele partner in de flow control-industrie wordt versterkt.

Een geflensde terugslagklep is een robuust industrieel stroomregelapparaat dat is ontworpen om automatisch vloeistofstroming in één richting mogelijk te maken en omgekeerde stroming binnen een leidingsysteem te voorkomen. Dit wordt bereikt door een scharnierende schijf of een zwenkmechanisme dat opent onder voorwaartse druk en sluit door zwaartekracht en/of terugstroomdruk om een ​​positieve afdichting te creëren. Het bepalende kenmerk, de geflensde uiteinden, maakt een veilige en gemakkelijke bevestiging tussen pijpflenzen mogelijk, waardoor een zeer betrouwbare, lekbestendige verbinding wordt gegarandeerd die geschikt is voor hogedruktoepassingen en toepassingen met grote diameters. Deze functie is van cruciaal belang voor het beschermen van pompen, compressoren en andere belangrijke apparatuur tegen schade als gevolg van waterslag en tegenstroom, en voor het handhaven van de systeemefficiëntie en veiligheid in de waterbehandeling, energieopwekking, chemische verwerking en de olie- en gasindustrie.


Producteigenschap en toepassing

De geflensde terugslagklep is ontworpen voor veilige eenrichtingsstroomregeling in leidingsystemen, met geflensde uiteinden voor eenvoudige installatie en sterke, lekbestendige verbindingen. Het zwenk- of hefmechanisme voorkomt terugstroming en beschermt pompen, pijpleidingen en apparatuur tegen schade. Het wordt veel gebruikt in watervoorziening, HVAC, industriële en chemische systemen en zorgt voor een betrouwbare werking, vermindert het onderhoud en handhaaft stabiele systeemprestaties.


Productparameter

1. Nominale druk: 1,6 MPa  

2. Werkmedium: water, niet-corrosieve en niet-ontvlambare gassen

3. Bedrijfstemperatuur: -20°C ≤ T ≤ 150°C  


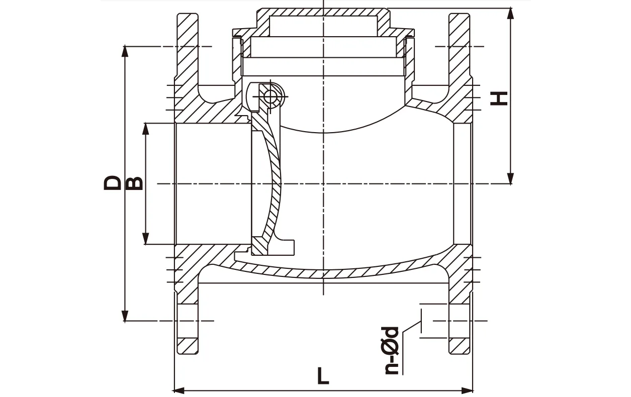
Productdimensie

Flanged Check Valve

DN

L (mm)

H (mm)

D (mm)

B (mm)

n-⌀d

GEW (g)

40

135

73

110

40

4-18

3893.0

50

143

85

125

50

4-18

5381.0

65

160

95

145

65

4-18

7611.0

80

185

104

160

80

8-18

9445.0

100

210

118

180

100

8-18

12885.0

125

235

133

210

120

8-18

18550.0

150

263

142

240

142

8-23

27000.0


Installatierichtlijnen

1. Reinig en bereid het leidingsysteem grondig voor voordat u de klep installeert.

2. Verwijder vóór installatie alle beschermende eindkappen en inspecteer de kleppoorten en zittingoppervlakken om er zeker van te zijn dat ze schoon zijn.

3. Zorg voor voldoende ondersteuning voor de klep om spanning door de verbindingsleidingen te voorkomen.

4. Bevestig dat de druk- en temperatuurwaarden van de klep geschikt zijn voor de beoogde gebruiksomstandigheden.

5. Voordat u de terugslagklep met flens in gebruik neemt, moet u deze volledig van open naar gesloten draaien om een ​​soepele werking te garanderen.

6. Controleer na installatie of de pakkingmoer goed is vastgedraaid.


Opmerking 1: Terugslagkleppen met flens kunnen worden geïnstalleerd in horizontale of verticale leidingen met opwaartse stroming, of in tussenliggende oriëntaties, op voorwaarde dat de scharnierpen op terugslagkleppen van het zwenktype horizontaal blijft. Installeer terugslagkleppen op voldoende afstand van pompuitlaten of andere turbulente stromingsbronnen. Raadpleeg het relevante technische bulletin voor meer informatie.


Opmerking 2: Sommige terugslagkleppen kunnen een interne verpakking bevatten om de schijf tijdens verzending te beschermen. Verwijder al het verpakkingsmateriaal vóór de installatie.


Gebruiksaanwijzing

Geflensde terugslagkleppen werken automatisch en vereisen geen handmatige tussenkomst.


Inspectie en onderhoud

1. Routinematige inspectie en preventief onderhoud zijn over het algemeen niet vereist, afgezien van incidentele aanpassingen van de spindelpakking en het periodiek wisselen van de klep van open naar gesloten.

2. Als er een pakkinglek optreedt, draait u de pakkingmoer ongeveer een kwartslag met de klok mee (of totdat het lekken stopt) om de afdichtingsdruk op de spindelpakking te verhogen. Pak een klep nooit opnieuw in terwijl deze onder systeemdruk staat.

3. Vervang bij het vervangen van de klepsteel ook het pakkingmateriaal.


Vervangende onderdelen

Onder normale bedrijfsomstandigheden zijn vervangingsonderdelen zelden nodig. Aanbevolen reserveonderdelen voor elk kleptype zijn: schijf-, houder- en scharnierconstructie.

Geef bij het bestellen van onderdelen het figuurnummer, de maat, het benodigde onderdeel en de geschatte leeftijd van de klep op.


Onderhoud

1.Regelmatige reiniging. Om de invloed van onzuiverheden en bezinksel in de pijpleiding op de terugslagklep te voorkomen, is het noodzakelijk om de volledig koperen horizontale terugslagklep en de binnenkant van de pijpleiding regelmatig schoon te maken.


2. Let op de afwisselende werking van koud en warm water. Het veelvuldig openen en sluiten van de terugslagklep zal schade veroorzaken, dus afwisselend gebruik van koud en warm water moet worden vermeden.


3. Let op de druk. Bij gebruik van de volledig koperen horizontale terugslagklep moet aandacht worden besteed aan de druksituatie in de pijpleiding, omdat een te hoge druk een negatief effect zal hebben op de terugslagklep. Kortom, de volledig koperen horizontale terugslagklep is een veelgebruikt apparaat in pijpleidingsystemen, en het gebruik en onderhoud ervan is zeer eenvoudig en gemakkelijk. Bij feitelijk gebruik moeten gebruikers werken en onderhouden volgens de bovenstaande vereisten om het gebruikseffect te garanderen.



Hottags: China Geflensde terugslagklep Fabrikant, leverancier, fabriek
Stuur onderzoek
Contact informatie
Als u vragen heeft over een offerte of samenwerking, kunt u ons een e-mail sturen op zchen@gentantvalves.com of het volgende vragenformulier gebruiken. Onze verkoopvertegenwoordiger neemt binnen 24 uur contact met u op. Bedankt voor uw interesse in onze producten.
X
We gebruiken cookies om u een betere browse-ervaring te bieden, het siteverkeer te analyseren en de inhoud te personaliseren. Door deze site te gebruiken, gaat u akkoord met ons gebruik van cookies. Privacybeleid
Afwijzen Accepteren